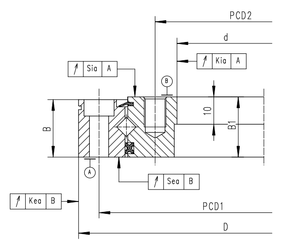
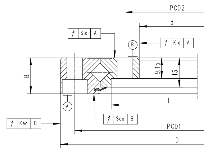
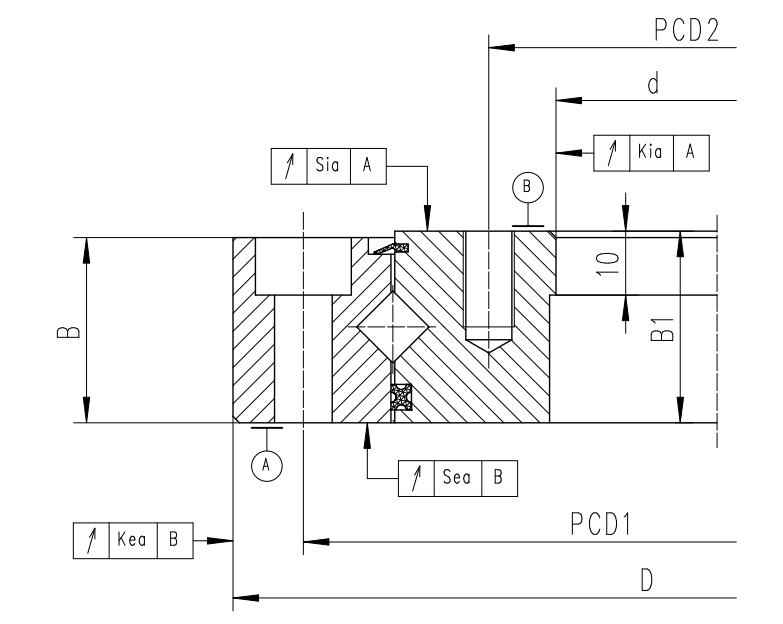
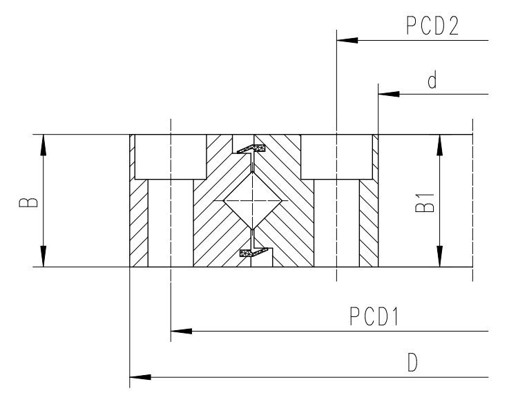
HXU系列交叉滾子轉盤軸承
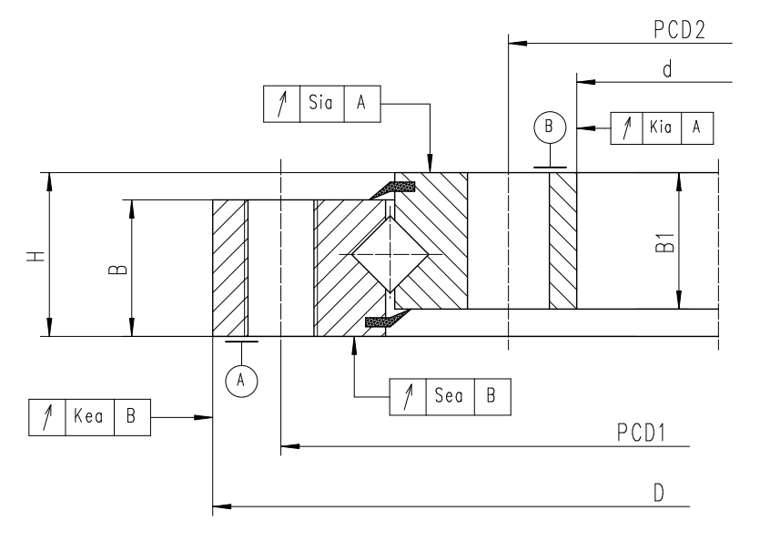
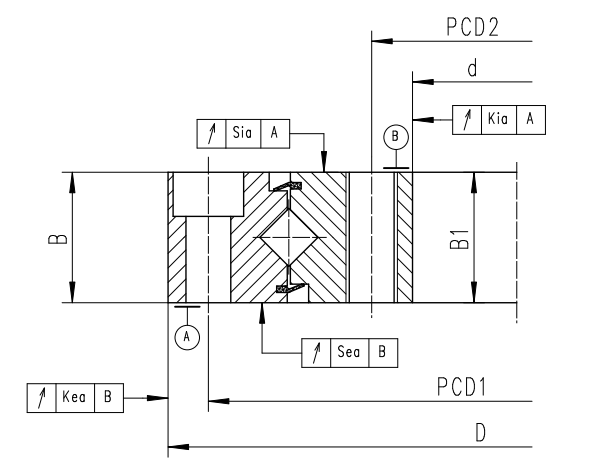
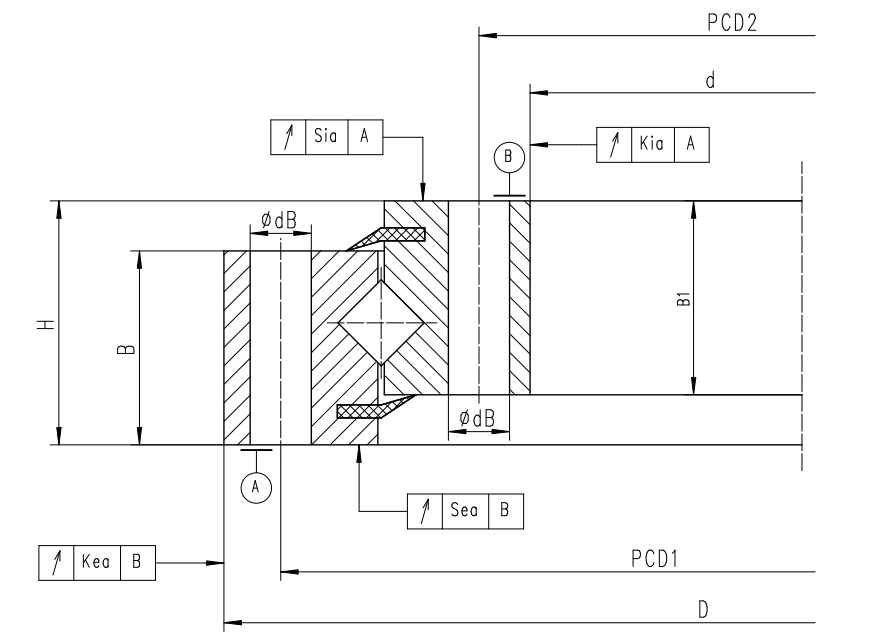
精密轉盤軸承依照滾動體結構,分為交叉滾子轉盤軸承與四點接觸球轉盤軸承兩個系列,依照齒輪形式,可分為不帶齒圈、帶內齒、帶外齒三個類型,可以安裝密封、配注油油杯、小范圍調整游隙力矩大小、精度能達到P5/P4/P2等級,以適應各種類型的工況需求。
我司支持外徑20mm到外徑2000mm范圍內,各種類型高精度軸承非標定制化設計加工,常年與多家高等院校、機械機床公司、機械研究所、科研機構合作,進行重大設備的聯合開發,協助客戶試樣與批量生產。
轉盤軸承可以同時承受較大徑向負荷、軸向負荷和傾覆力矩等綜合載荷,集支承、旋轉、傳動、固定等多種功能與一體,且結構緊湊、安裝簡便、維護方便,通常用于重載低速的場合,例如起重機械、挖掘機、回轉臺、風力發電機、天文望遠鏡和坦克炮塔等裝置,應用十分廣泛。
HXU系列交叉滾子轉盤軸承
A:
B:
C:
D:
E:
F:
G:
H:






